配资 股票杠杆怎么申请-近期好点的股票-【东方资本】,2020炒股配资加配资,十大炒股杠杆平台,炒股开户有没有风险

今天是2025年8月23日 星期六,歡迎光臨本站 

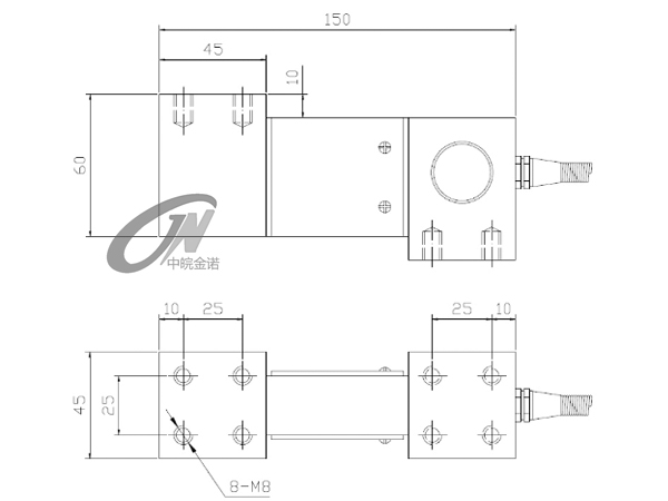
懸臂稱重傳感器

BCBL-Z

文字:[大][中][小] 手機頁面二維碼 2021/12/3     瀏覽次數:    

BCBL-Z型 懸臂式測力傳感器

特點及用途:

該傳感器采用剪切梁結構,具有高精度、高穩定性。

適用于電子配料系統、電子地中衡、配料倉、料倉秤等各種測力、稱重的工業控制系統。   


技術參數:

量程

50、100200、500、1000 kg

輸入阻抗

385 ± 35 Ω

靈敏度

2.0 ± 01 mv/V

輸出阻抗

350 ± 3 Ω

綜合精度

005 %F·S

絕緣阻抗

2000 MΩ

蠕變

±003F·S/30min

激勵電壓

5 12 VDC

非線性

±003%F·S

工作溫度范圍

-30 ~ ﹢70

滯后誤差

±003%F·S

允許過負荷

120 %F·S

重復性誤差

±003%F·S

密封等級

IP65

零點溫度系數

±003%F·S/10

材質

合金鋼

輸出溫度系數

±0.03 %F·S/10

線纜

φ5 x 2000 mm


產品尺寸:

返回上一步
打印此頁
173-5529-0970
瀏覽手機站